Autor: Leandro Filgueiras
A capacidade geotécnica e estrutural das fundações é elemento essencial que deve ser considerado para o perfeito funcionamento da estrutura. As técnicas de reforço de solo, ao longo dos últimos anos, tem assumido um papel importante na Engenharia Geotécnica e Engenharia estrutural.
O presente trabalho tem por finalidade avaliar as melhorias de desempenho das fundações a partir de injeções de resinas de poliuretano para preenchimento de vazios na estrutura de solos arenosos sob as fundações.
O foco principal deste artigo é apresentar metodologia de ensaios desenvolvida pela construtora g maia, realizada em campo. Posteriormente é apresentado processo executivo e resultados analisados.
Será apresentado as características da permeabilidade do solo arenoso e sua capacidade de absorção de resinas poliméricas, assim como detalhamento e suas propriedades.
A capacidade de suporte das fundações, profundas e superficiais, é essencial para o perfeito funcionamento da estrutura como o todo. O solo é uma parte fundamental para qualquer tipo de estrutura. A falta de manutenção e monitoramento, através de verificações de fluxo das águas da superfície e subsolo, escavações nos entornos e recalques progressivos podem causar patologias ao longo da estrutura.
Os solos recebem solicitações de diversas magnitudes e por sua formação secular podem apresentar descontinuidade, agravadas pelo incremento de carregamentos.
O uso das resinas tem facilitado muito os reparos dos elementos estruturais de concreto e proporcionam trabalhos mais práticos e eficientes para a recuperação das manifestações patológicas.
Segundo Aguiar ( 2009) existem várias possibilidades para aplicação de resinas, entre as quais em edifícios altos, pontes, pavimentos rodoviários, plataformas marítimas, pré-moldados, reparos e recuperação de estruturas.
A metodologia baseada em empregar resinas para melhoria das condições dos solos prevê ensaios de laboratório e contínua assertividade da técnica empregada. Possibilitando novos estudos e modulações mais variadas possíveis, através de injeções com resinas para preenchimento de vazios.
Para qualquer tratamento do solo é necessário ter conhecimento do conceito básico de sua formação, “origem”, solicitações de utilização exercidas pelas edificações, barragens e até mesmo processos que possam estar interligados a sua existência.
Segundo Takagi e Almeida Junior (2002), a tecnologia de injeção de resinas para recuperação de estruturas de concreto é fundamental, para se garantir o desempenho de obras que precisam ser recuperadas, e para que se possa, também, aumentar a vida útil.
Resinas de poliuretano têm propriedades únicas para um material químico que proporciona uma variada gama de aplicações, sendo que a mesma resina de acordo com a técnica utilizada pode atingir altas resistências à compressão, chegando a 70 Mpa, no caso de reparo estrutural. Para preenchimento de vazio o mesmo material pode ter seu volume expandido em até 25 vezes, cumprindo a função de preencher os vazios sem que se sobrecarregue a estrutura do mesmo.
O ganho econômico de se fazer uma intervenção antes do colapso da estrutura, é significativamente relevante em função dos inúmeros ônus que a ruína desta traria. Os impactos na fase de correção, que neste caso seria relacionado à ruína da estrutura, são em ordem de grandeza 125 unidades mais onerosas.
Resinas poliméricas são compostas por dois componentes, não têm solventes e não agridem ao meio ambiente. Podendo inclusive, ser aplicadas em reservatórios de água tratada, solo próximo a plantações, etc.
Elas possuem grande durabilidade e não contaminam o meio ambiente, segundo Aguiar (2009).
Essa tecnologia tem a ideia de otimizar os trabalhos geotécnicos com equipamentos versáteis e possibilidade de resultados satisfatórios, trazendo soluções diferenciadas.
Procedimento Metodológico
O primeiro método apresentado está relacionado à execução de um modelo reduzido experimental, para o sistema de injeção por estágios de resina de poliuretano em solo arenoso. Esse procedimento é executado para verificar o nível de consolidação do maciço e ganho de resistência à compressão e tração.
Para a execução dos ensaios foi determinada metodologia, seguindo os itens:
- Escavação de Valas e preenchimento com material arenoso.
- Instalação dos bicos de injeções;
- Injeções de resinas de poliuretano com resistência a compressão 1,5kgf/cm².
- Execução de injeção por injeção estágios.
- Análise do fator forma e capacidade de expansão da resina de poliuretano em meio confinado;
- Extrair corpos-de-prova para realização de ensaios de resistência à compressão.
O ensaio é realizado por estágios com duas hastes posicionadas em diferentes cotas, onde cada haste receberá injeções de maneira permear pelo material arenoso.

Figura 1 – Experimento realizado: Injeção de PU por estágio
Utilizamos uma bomba de injeção bi-componente, de alto desempenho com acionamento pneumático. Eficiente técnica de mistura com elementos estáticos, extensível para materiais de alta viscosidade.
Para um acionamento contínuo foi necessário utilização de compressor com capacidade mínima de vazão de ar de 500 litros/min. (18 PCM). A pressão do ar de entrada não deve ser superior a 8 bar.
O modelo dos tubos injetores utilizados para os experimentos foi composto de tubo de aço galvanizados com diâmetro = 20,00 mm rosqueável, possibilitando a extensão em vários níveis. O dispositivo tem em seu corpo cilíndrico perfurações de modo permitir a permeabilidade da resina para o solo, perfurações intercaladas com diâmetro 8,00 mm.

Figura 2 – Mostra ponteiras dos tubos injetores, com furos para passagem da resina de poliuretano.
A formulação da resina utilizada levou em consideração sua baixa viscosidade e resistência à compressão mecânica de 3,00 Kgf/cm², superior a resistência de solo compactado convencional, com consumo de 60 litros/m³. O tempo de reação longo em torno de 7:00 minutos.

Figura 3 – Injeção de resina de poliuretano (PU) em solo arenoso
Apresentação e Análise dos Resultados para o Método Experimental
Após a conclusão das injeções de resina de poliuretano no solo saturado, aguardou-se o prazo de 48 (quarenta e oito) horas para início das escavações, para verificar o resultado das injeções, coletar amostras do poliuretano injetado no solo e análise das amostras.
Foi observado uma otima perfomace do material injetado, apresentando total consolidação do material arenoso e sua capacidade de aglutinação, formando um bloco maciço de Poliuretano.
Constatamos que a injeção por estágio teve boa eficiência, por tratar de injeções localizadas, tornando assim possível o preenchimento total da perfuração.

Figura 4 –Escavação do solo e amostra do material aglomerante
Em relação ao fator forma o experimento, apresentou a formação de um bloco único similar a uma estaca.
Foram coletadas amostras para análise da resistência à compressão mecânica axial e compressão diametral para estimar a resistência à tração.

Figura 5 – Testemunho coletado do experimento .
Primeiramente são apresentados os resultados do ensaio de tração para mensurar o ganho de resistência devido à injeção.
Esse ensaio apresenta resultados de resistência à tração de um solo, obtidos usando o ensaio de compressão diametral, ou ensaio brasileiro, conforme técnica proposta por Krishnayya & Eisenstein (1974), Maciel (1991); Das et al. (1995) e Favaretti (1995). Este ensaio consiste em comprimir transversalmente cilindros de solo, que se rompem à tração ao longo do diâmetro da seção transversal.

Foram ensaiados dois testemunhos retirados do campo. Atualmente existe uma norma técnica que descreve o procedimento, NBR 7222 – Determinação da resistência à tração por compressão diametral de corpos de prova cilíndricos.
Os resultados estão apresentados na tabela abaixo:

Tabela 1– Ensaio à tração por compressão diametral.
Para efeito de comparação, buscamos referência de ensaio à tração realizado em solo arenoso. O artigo “Relação Entre a Resistência a Tração Obtida via Ensaio Brasileiro” apresenta os seguintes valores:

O ensaio apresenta valor máximo de 180 kPa = 0,18 MPa. Comparando com os valores do testemunho com injeção de PU, podemos verificar que a resistência mínima é de 0,4 MPa, valor superior aos de referência.
Para os ensaios de compressão mecânica foram realizados os procedimentos da NBR 7680 e da NBR 5739. Os resultados encontram-se no quadro abaixo:

Tabela 2– Ensaio de resistência compressão mecânica.
Com as análises dos resultados observou-se que houve melhoria no solo em relação à resistência a compressão. Utilizando de forma comparativa a tabela com relações entre índice de Resistência à Penetração (SPT) com as taxas admissíveis para solos arenosos, observamos que mesmo para solos com SPT elevado, as tensões admissíveis estão abaixo dos valores dos corpos de prova ensaiados com injeção de PU.
A NBR 6122- Projeto e execução de fundações apresenta valores de pressão admissíveis com base na descrição do terreno.


Sendo 1 MPa= 10 kg/cm² temos 6,0 kg/cm² = 0,6 MPa, para solos com SPT elevado.
Case Executivo
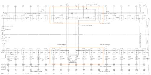
Em projeto e execução desenvolvidos pela construtora gmaia foi realizado o reforço das fundações a partir do método apresentado. Inicialmente as intervenções foram realizadas nas fundações dos pilares em vermelho.

Figura 6: Posicionamento dos locais a serem realizados as intervenções .
Baseado nas manifestações patológicas, fatores agravantes e informações obtidas sobre o problema, foi iniciada uma linha de solução com utilização de resina de poliuretano. O preenchimento atuar como reforço do solo, densinficando o material arenoso sem coesão e criando bulbos, garantindo a estabilidade do sistema reforçado.

Figura7: Esquematização da metodologia de perfuração da sapata;

Figura 8: Tubos injetores instalados com sequência de cores para identificação da posição

Figura 9: Esquematização do procedimento de tratamento de solo com injeção de poliuretano.
Como a metodologia de injeção foi por estágios, foi cravado quatro seções de tubos em diferentes posições de modo possibilitar perfeito preenchimento com PU.
Para esse case, as injeções ocorreram do ponto mais alto para o mais profundo em função de problemas específicos da fundação. Está solução visa aumento da área de contato com a interface da sapata.
As dificuldades encontradas durante a execução das injeções foram diretamente ligadas ao nível do lençol freático elevado, aproximadamente à 3,50 m. Também foi observada temperatura elevada do solo. Este fator levou a adotar-se medidas para resfriamento do poliuretano, aumentando o período de trabalhabilidade.

Figura 10: Esquematização da reação do Poliuretano na fundação.

Figura 11: Primeiro procedimento de intervenção nas fundações, utilizando resinas de poliuretano para consolidação do solo.

Figura 12: Injeção de poliuretano por estágios
Ao total foram tratadas as áreas de maior influência de recalque das fundações no primeiro momento. Existe um monitoramento constante dos pilares, por meio de instrumentação topográfica. Os instrumentos indicaram ausência de recalques nos pilares tratados em comparação os pilares que não sofreram intervenções nas fundações.
Conclusão
As injeções efetuadas no solo arenoso formam um bulbo que permeia a matriz do solo, melhorando suas características de rigidez, resistência ao cisalhamento e compressibilidade, conforme demonstrado nos ensaios.
O poliuretano também é especialmente formulado para ser de rápida reação e não se misturar com a água, garantindo que não seja afetado por nenhuma água ou solo úmido que possa estar sob o pavimento da superfície.
O material polimérico curado é inerte, ambientalmente neutro e não contribui para a contaminação ou poluição do solo ou da água.
Através de monitoramento topográfico é ratificado eficiência do método de injeção nas fundações. As intervenções nos pilares e fundações descritas nesse artigo são monitoradas constantemente, apresentando estabilidade e ausência de recalques.
Normas Técnicas de Referência e Bibliografia
AGUIAR, José Eduardo de. Procedimentos para recuperação das estruturas de concreto. Apresentado em 2009. Curso de especialização em Engenharia Civil. Universidade Federal de Minas Gerais. UFMG, 2009
TAKAGI, Emilio Minoru; ALMEIDA JUNIOR, Waldomiro. Utilização de tecnologias de injeção para o aumento da durabilidade das estruturas de concreto armado. Publicado em 2002 – IBRACON – Instituto Brasileiro do Concreto. Disponível em: . Acesso em: 01 dez. 2009.
Krishnayya, A. V. G. & Einsenstein, Z. (1974). Brazilian tensile test for soils. Canadian Geotech. Journal, 11, pp. 632 642
Maciel, I. C. Q. (1991). Aspectos microestruturais e propriedades geomecânicas de um perfil de solo residual de gnaisse facoidal. Dissertação de mestrado, DEC-PUC-Rio, R. J., 182 pp.
Favaretti, M. (1995). Tensile strength of compacted clays. Proc. First Int. Conf. On Unsaturated Soils, UNSAT95. Paris, p.p. 51 – 56.
Relação Entre a Resistência a Tração Obtida via Ensaio Brasileiro, a Sucção e Índices Físicos de um Solo . https://www.caee.utexas.edu/prof/zornberg/pdfs/CP/Villar_deCampos_Zornberg_2007.pdf
NBR 6122 – Projeto e execução de fundações
Fundações – teoria e prática, ABMS/abef, Editora Pini,2ª edição, 1998 Solos Melhorados: Economia e Ecologia para Todas as obras MONOVETON (edição da empresa),2000.


